Laufregler
Im Bereich der Laufregler arbeiten wir eng mit der Firma Kendrion zusammen. Durch diese Partnerschaft beliefern wir Endkunden mit deren Produkten und beraten Sie dazu kompetent und individuell. Als herstellerunabhängiges Unternehmen bieten wir Ihnen aber auch Laufregler und Steuerungen anderer Hersteller an.
Das Produktprogramm der Kendrion-Schließgeschwindigkeitsregler der Marke Linnig umfasst:
- Laufregler ohne Feststellvorrichtung
- Laufregler mit Feststellvorrichtung
- Laufregler mit Feststellvorrichtung und elektrischer Öffnungshilfe
- Steuerungen
Die modernen Laufregler überzeugen dabei mit vielen Vorteilen:
- Kompakte Bauform
- Stufenlos einstellbare Torgeschwindigkeit
- Verschleißfreie Geschwindigkeitsregelung
- Ölfreies System
- Anschlussmöglichkeiten diverser Sicherheitseinrichtungen
- Bedarfsgerechte Ansteuerung aller Schließgeschwindigkeitsregler
- Gleichbleibende Schließgeschwindigkeit auch bei unterschiedlichen Temperaturbereichen
Zur individuellen Beratung und Anfrage
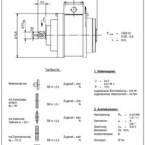
Modelle und Technische Daten
| Typ: | Max. zulässige Schließkraft im Zugseil | Feststellvorrichtung | Motor |
|---|---|---|---|
| SB2.0.x | 200 N | nein | nein |
| SB 2.2.x | 200 N | ja | nein |
| SB 2.3.x | 200 N | ja | nein |
| SB 2.4.1.x | 200 N | ja | nein |
| SB 2.4.2.x | 200 N | ja | ja |
| SB 2.4.3.x | 200 N | nein | ja |
| SB 2.4.4.x | 200 N | ja | ja |
| SB 3.1.x | 150 N | nein | nein |
| SB 3.3.x | 150 N | ja | ja |
| SB4.2.1.x | 300 N / 680 N | ja | ja |
Technische Daten
Übersicht Antriebsarten
Downloads
Leistungen von PROTEC-24
- Dank unserer Serviceerfahrung aus über 600 Wartungen pro Tag bieten wir für jede Anwendung die optimale und herstellerunabhängige Lösung.
- Wir beraten Sie professionell und unabhängig anhand Ihrer individuellen Anforderungen unter Berücksichtigung der optimalen Lebenszyklenkosten, der geltenden rechtlichen Vorschriften, aktueller Sicherheitsstandards und maximaler Energieeffizienz.
- Die Montage wird durch geschultes und regelmäßig weitergebildetes Personal kompetent ausgeführt.
- Vor der ersten Inbetriebnahme führen wir eine sicherheitstechnische Prüfung gemäß Vorschrift, nach den Vorgaben des Herstellers durch.
- Es erfolgt eine Kennzeichnung der neuen Anlagen und Ersterfassung in der Wissens- und Dokumentationsplattform CAVEA für eine hohe Transparenz und Prozesssicherheit.
- Unser 360°-Leistungsprinzip: Wir bieten alle Leistungen aus einer Hand für die gesamte Lebensdauer der Anlage – vom Beratungsgespräch bis zum umfassenden After-Sales-Service mit Wartung und Instandhaltung.
- Wir garantieren die Ersatzteilversorgung durch enge Zusammenarbeit mit den führenden Tür- und Torherstellern und bieten eine Gewährleistung von 2 Jahren.









